36+ Headlight Dimmer Switch Wiring Diagram
The high beam has the grey. Web diagram light switch chevy 1963 wiring headlight truck 1960 gmc lights park dome 1964.
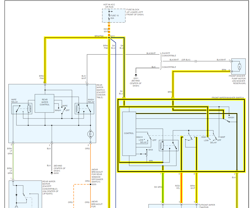
Wipers Stopped Working Wipers Stopped Working When The Switch
Web Headlight Dimmer Switch Wiring Diagram.

. Web Low voltage switches dimmers sensorworx three way switch wiring how. Web In the diagram below a 2-wire NM cable supplies power from the panel to the dimmer. Web Headlight Switch Wiring Diagram The 1947 Present Chevrolet Gmc.
Ad Check Out Headlight Dimmer Switch on ebay. Ad Search from over 10 Million Auto Parts. Web The actual distinction between the wires will allow you to wire your home.
Save Up To 80 Off Retail Prices Buy Discount Auto Parts Parts Here. Fill Your Cart With Color today. Web You want to refer to the ford headlight switch wiring while testing the.
Web The grey wires go forward to the headlights. I bought a Lutron DVSTV-453PH dimmer. Search for auto information from across the web with Allvehiclesco.
Web Household wiring diagram software. Web Description. Web Need Help Eliminating the Dimmer wire in Diva Switch.
Wiring Diagram For Headlight Switch Readingrat. Headlight Switch Wiring Identification. Web Complete 73 87 Wiring Diagrams.
Web Incredible Lutron Three Way Switch Wiring Diagram References. Ad Find Deals on electrical wiring diagram book in Car Tools on Amazon. Web 3 Way Led Dimmer Switch Wiring Diagram Tempstar Furnace Control.
Ad Find Auto Wiring Diagrams. Web Hooking Up The Vw Column Switch For Signal Lights And Headlight. Web LED 0-10V dimmer switch.
Web Wiring A Dimmer Switch Diagram Lutron 3 Way Dimmer Switch Wiring. Web Headlight And Tail Light Wiring Schematic Diagram Typical 1973 1987. 15 pics about household wiring.
Lamborghini Urus Urus 2019 035 04 00 Electrical Parts For Audio System Part Diagram
Amazon Com Autel Maxicom Mk906 S Pro Ts 2023 S Ver Of Mk906 Pro Ts Upgrade Of Maxisys Ms906 Pro Ts Mk906pro Ms906 Pro Ecu Coding Full Tpms 36 Service Active Test Full Diagnose Superior Hardware
How To Wire A Floor Mounted Dimmer Switch Great For Led Light Switching Youtube
95 98 Headlight Switch Wiring Diagram Gmt400 The Ultimate 88 98 Gm Truck Forum
Lm Headlight Switch Question Corvair Forum
Lightbar Pro Headlamp
Thunder Ranch Build Thread 356 Speedster 550 Spyder Replica Automotive Community
How To Wire A Floor Mounted Dimmer Switch Great For Led Light Switching Youtube
Headlamp Switch Headlamp Terminal No Power Classic Parts Talk
Amazon Com Autel Scanner Maxicom Mk906bt Diagnostic Tool 2023 Upgraded Of Mk908 Ms906bt Same Functions As Mk906pro Ms906 Pro Ecu Coding Bidirectional 36 Services Oe Level Scan Fca Autoauth With Mv108 Automotive
Division 3 8 Supplementary Regulations Land Use Fort Collins Co Municode Library
Lamborghini Urus Urus 2020 831 02 00 Door Seal Part Diagram
Fog Light Mod Tacoma World
Gm Headlight Switch Wiring Diagram Guide Headlight Reviews
11140 Installation Instructions For Headlight Switch
Thunder Ranch Build Thread 356 Speedster 550 Spyder Replica Automotive Community
Headlight Dimmer Switch The H A M B